特點
海灣J-SAM-GSTN9313(Ex)消火栓按鈕表面裝一按片,當啟用消火栓時,可直接按下按片,此時消 火栓按鈕的紅色啟動指示燈亮,表明已向消防控制室發出了報警信息,火災報警控制器在確認了消 防水泵已啟動運行后,就向消火栓按鈕發出命令信號點亮綠色回答指示燈。本按鈕防爆類型為本質 安全型,符合 GB 3836.1-2010《爆炸性環境 第 1 部分:設備 通用要求》和 GB 3836.4-2010《爆炸 性環境 第 4 部分:由本質安全型“i”保護的設備》的有關規定,并取得了 防爆產品檢驗機關 頒發的產品防爆合格證書,主要應用于石油及化工等易燃、易爆場所。
本按鈕具有如下特點:
(1) 采用底座分離式結構設計,安裝簡單方便;先安裝底殼,線路調試完成后再裝主體進行開通調 試。 (2) 消火栓按鈕為可重復使用型,采用壓下報警方式,按下后可用專用鑰匙復位。
(3) 按下消火栓按鈕按片,消火栓按鈕提供的獨立輸出觸點,可直接控制其它外部設備。
(4) 用微處理器實現對消防設備的控制,用數字信號與火災報警控制器進行通信,工作穩定可靠, 對電磁干擾有良好的抑制能力;由微處理器對運行情況進行監視,給出診斷信息。
(5) 編碼型,可通過電子編碼器設定。
主要技術指標
(1) 工作電壓: 信號總線電壓:24V 允許范圍:16V~28V
(2) 工作電流: 監視電流≤0.25mA 報警電流≤0.8mA
(3) 輸出容量:額定 DC30V/100mA 無源輸出觸點信號,接觸電阻≤100m?
(4) 線制:消火栓按鈕與火災報警控制器信號二總線連接
(5) 編碼方式:電子編碼方式,占用一個總線編碼點,編碼范圍可在 1~242 之間任意設定
(6) 啟動零件型式:重復使用型
(7) 啟動方式:人工按下按片
(8) 復位方式:用專用鑰匙手動復位
(9) 指示燈:紅色啟動指示燈,巡檢時閃亮,消火栓按鈕按下時此燈點亮;綠色回答指示燈,消防水泵運行時此燈點亮
(10) 使用環境: 溫 度:-10℃~+55℃ 相對濕度≤95%,不凝露
(11) 外形尺寸:95.4mm×98.4mm×52.5mm(含底殼)
(12) 外殼防護等級:IP43
(13)防爆標志:ExibⅡCT6 Gb
結構特征、安裝與布線
消火栓按鈕外形示意圖如圖 1-21 所示。

消火栓按鈕安裝方式與 J-SAM-GSTN9311(Ex)手動火災報警按鈕相同,對外接線端子示意圖如 圖 1-22 所示:

其中:Z1、Z2:接控制器二總線,無極性。 K1、K2:無源常開觸點,用于直接啟動外部設備。
布線要求:電纜均選用截面積不小于 1.0mm2 的本安電纜,且電纜間分布電容不得大于 0.083μF,分 布電感不得大于 4.2mH。
應用方法 消火栓按鈕與火災報警控制器及泵控制箱的連接為總線制啟泵方式,消火栓按鈕直接和信號二 總線連接。消火栓按鈕按下,即向火災報警控制器發出報警信號,火災報警控制器收到報警信號后, 將命令消火栓按鈕點亮綠色回答指示燈。
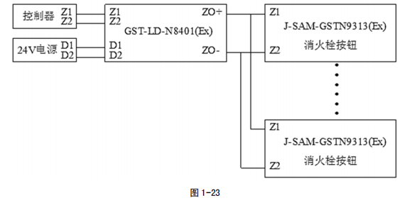
消火栓按鈕可安裝于危險區,通過 GST-LD-N8401(Ex)總線隔離式安全柵與安全區的火災報警 控制器連接,接線圖如圖 1-23 所示。



蘇公網安備32058102002318號
客服1